网站首页
关于我们
产品展示
行业应用
荣誉资质
新闻资讯
联系我们
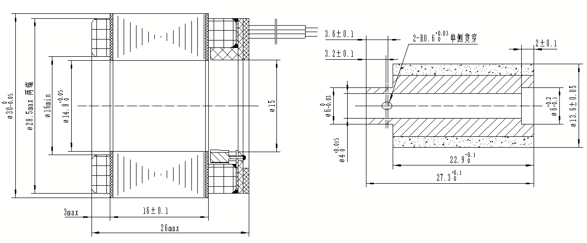
斯特林制冷机电机
30ZW01
外形尺寸图
主要技术指标
项
目
指
标
额定电压(V)
12
额定电流(A)
≤1.35
额定转速(rpm)
4500±150
额定转矩(N.m)
0.025
效率
≥72%
空载电流(A)
≤0.2
空载转速(rpm)
5200±200
重量(g)
≤90
上一个:
38ZW07
下一个:
没有资料
联系电话:13611920246
13816072375
公司地址:苏州市吴中区木渎镇珠江南路888号科技创业园4号楼4211-4215室
电话咨询
产品展示
联系我们
首页