网站首页
关于我们
产品展示
行业应用
荣誉资质
新闻资讯
联系我们
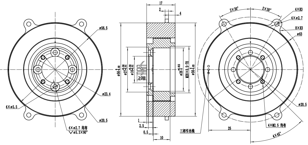
直流无刷力矩电机
J56LWX001
外形尺寸图
主要技术指标
项
目
指
标
额定电压(V)
28
空载转速(rpm)
1280±200
峰值堵转电流(A)
≤3
峰值堵转力矩(N.m)
≥0.5
力矩波动系数
≤5%
连续堵转电流(A)
≤1.5
连续堵转力矩(N.m)
≥0.25
电枢电阻(Ω)
5.9
电枢电感(mH)
2.26
绝缘电阻(MΩ)
≥50(500VDC)
重量(g)
≤155
上一个:
J54LWX002
下一个:
没有资料
联系电话:13611920246
13816072375
公司地址:苏州市吴中区木渎镇珠江南路888号科技创业园4号楼4211-4215室
电话咨询
产品展示
联系我们
首页