网站首页
关于我们
产品展示
行业应用
荣誉资质
新闻资讯
联系我们
启发电机系列
PMA5000
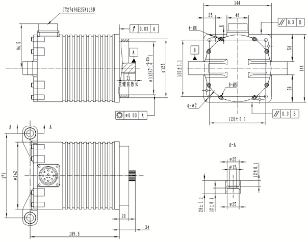
外形尺寸图
主要技术指标
项
目
指
标
工作转速范围
3000~6000
额定功率(W)
5000
额定转速(rpm)
4500
发电机转速与输出电压对应关系表
3000rpm
26~31VAC
4500rpm
38~45VAC
6000rpm
50~61VAC
主要应用
无人机
上一个:
没有资料
下一个:
没有资料
联系电话:13611920246
13816072375
公司地址:苏州市吴中区木渎镇珠江南路888号科技创业园4号楼4211-4215室
电话咨询
产品展示
联系我们
首页