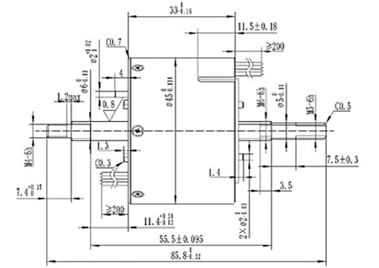
外形尺寸图
| 项 目 | 指 标 |
|
正反绕组电压(V) |
22 |
|
正转切换启动输出力矩(N.m)电机轴角度0° |
0.105±0.015 |
|
正转切换堵转输出力矩(N.m)电机轴角度90° |
0.105±0.015 |
|
反转复位启动输出力矩(N.m)电机轴角度90° |
0.105±0.015 |
|
反转复位堵转输出力矩(N.m)电机轴角度0° |
0.105±0.015 |
|
绝缘电阻(在DC500V/1min下) |
≥1000MΩ |
|
重量(g) |
≤280 |
联系电话:13611920246