网站首页
关于我们
产品展示
行业应用
荣誉资质
新闻资讯
联系我们
直流无刷电机
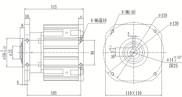
110ZW01
型号:JF2000
外形尺寸图
主要技术指标
项
目
指
标
额定电压(V)
270
额定功率(W)
800
减速后输出转速(rpm)
500~900
散热方式
自然风冷
防护等级
IP65
重量(
Kg)
≤4
上一个:
没有资料
下一个:
52ZW01
联系电话:13611920246
13816072375
公司地址:苏州市吴中区木渎镇珠江南路888号科技创业园4号楼4211-4215室
电话咨询
产品展示
联系我们
首页