网站首页
关于我们
产品展示
行业应用
荣誉资质
新闻资讯
联系我们
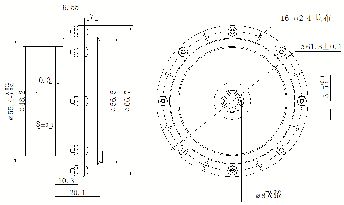
直流有刷力矩电机
53LYX001
外形尺寸图
主要技术指标
项
目
指
标
峰值堵转电压(V)
≤27
峰值堵转电流(A)
≤2.5
峰值堵转力矩(N.m)
≥0.175
力矩波动系数
≤6%
静摩擦力矩(g.cm)
≤55
直流电枢电阻(Ω)
8±1
时间常数(ms)
≤0.4
重量(g)
≤120
上一个:
36LYX01
下一个:
53LYX002
联系电话:13611920246
13816072375
公司地址:苏州市吴中区木渎镇珠江南路888号科技创业园4号楼4211-4215室
电话咨询
产品展示
联系我们
首页