网站首页
关于我们
产品展示
行业应用
荣誉资质
新闻资讯
联系我们
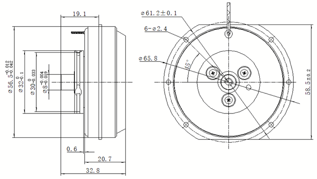
直流有刷力矩电机
53LYX002
外形尺寸图
主要技术指标
项
目
指
标
值堵转电压(V)
27
峰值堵转电流(A)
≤3.2
峰值堵转力矩(N.m)
≥0.52
力矩波动系数
≤8%
空载启动电压(V)
≤1
空载转速(rpm)
1250±125
正反转速差(rpm)
≤50
静摩擦力矩(N.m)
≤0.018
直流电枢电阻(Ω)
9±1.5
时间常数(ms)
≤0.7
重量(g)
250±5
上一个:
53LYX001
下一个:
58LYX01
联系电话:13611920246
13816072375
公司地址:苏州市吴中区木渎镇珠江南路888号科技创业园4号楼4211-4215室
电话咨询
产品展示
联系我们
首页