网站首页
关于我们
产品展示
行业应用
荣誉资质
新闻资讯
联系我们
直流有刷力矩电机
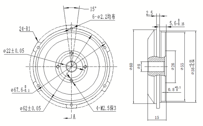
58LYX01
外形尺寸图
主要技术指标
项
目
指
标
峰值堵转电压(V)
27
峰值堵转电流(A)
≤2.5
峰值堵转力矩(N.m)
≥0.2
力矩波动系数
≤6%
空载启动电压(V)
≤0.7
静摩擦力矩(N.m)
≤0.0055
直流电枢电阻(Ω)
10±1
电枢绕组电感(mH)
2.5±0.5
时间常数(ms)
≤0.6
重量(g)
150±5
上一个:
53LYX002
下一个:
128LYX003
联系电话:13611920246
13816072375
公司地址:苏州市吴中区木渎镇珠江南路888号科技创业园4号楼4211-4215室
电话咨询
产品展示
联系我们
首页